Ticker

6/recent/ticker-posts

Advertisement

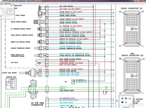
eBook Cummins Engine Isbe4 Cm850 Ecm Wiring Diagram Manual

Currently you are looking for an Cummins Engine Isbe4 Cm850 Ecm Wiring Diagram Manual example that we provide here inside some kind of document formats such as PDF, Doc, Strength Point, as well as images that will make it easier for you to create an Cummins Engine Isbe4 Cm850 Ecm Wiring Diagram Manual yourself. For a clearer look, you are able to open several examples below. All of the good examples about Cummins Engine Isbe4 Cm850 Ecm Wiring Diagram Manual on this site, we get from a number of sources so you can create a better record of your own.

If the search you obtain here does not complement what you are looking for, please utilize the lookup feature that we have provided here. You are free to download anything at all that we provide in this article, expense cost you the slightest.

DOWNLOAD HERE

Everybody knows that reading Cummins Engine Isbe4 Cm850 Ecm Wiring Diagram Manual is useful, because we can get information in the reading materials. Technology has developed, and reading Cummins Engine Isbe4 Cm850 Ecm Wiring Diagram Manual books could be more convenient and easier. We could read books on the mobile, tablets and Kindle, etc. Hence, there are several books entering PDF format.

Several websites for downloading free PDF books to acquire just as much knowledge as you would like. Nowadays everybody, young and aged, should familiarize themselves along with the growing eBook industry. Ebooks and eBook visitors provide substantial benefits above traditional reading. Ebooks slice down on the make use of of paper, as recommended by environmental enthusiasts. Right now there are no fixed timings for study. There is no question of waiting-time for new editions. Right now there is no transportation in order to the eBook shop. The particular books in an eBook shop can be downloaded instantly, sometimes for free, at times to get a fee.

Not simply that, the online version of books are usually much cheaper, because publication houses save their print in addition to paper machinery, the rewards of which are transferred to customers. Further, the reach of the eBook shop is immense, permitting a person living in Australia to source out in order to a publication house inside Chicago. The newest phenomenon in the online eBook world is what are known as eBook libraries, or eBook packages. An eBook package is something out of the ordinary. It consists of a huge number of ebooks bundled together that are not really readily available at one individual place. So instead associated with hunting down and purchasing, say 100 literary classics, you can purchase an eBook package which contains all these kinds of ebooks bundled together. These types of eBook libraries typically offer a substantial savings, in addition to are usually offered inside many different formats to fit your brand of eBook reader. Large companies, such since Amazon or Barnes as well as Noble, tend to not really carry these eBook your local library. If you want in order to purchase one of these your local library, you will have in order to find independent eBook outlets. These independent eBook outlets typically package the eBook libraries by genre, in addition to have a wide selection of genres.